About Building & Construction Making Line
We engineer robust, high-output roll forming lines for the demanding construction industry. Our solutions transform galvanized steel and other materials into durable structural components, from ceiling grids to wall panels. Built for reliability, our machines ensure the production of precise, weather-resistant profiles that meet stringent industry standards.
Automated Production Lines for Electrical Cable Trays & Ducts
Our turnkey systems are designed for the efficient production of perforated and solid-bottom cable trays. Integrating high-speed punching and roll forming, these lines produce strong, consistent profiles in various sizes. Achieve stable, fast, and precise mass production for electrical infrastructure and data center applications..
 
 Automated Roll Forming Production Line Process
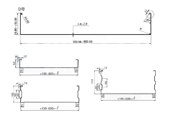
 What type of Cable Trays & Ducts do you need?
We can customize according to your requirements based on the load-bearing capacity, dimensions, and specifications needed for Cable Trays & Ducts. Here is a showcase of customizations we have made for cable tray factories.
Technology That Drives Your Competitive Edge
Our production lines are not just assemblies of standard parts; they are integrated systems featuring advanced technologies designed to maximize your productivity, flexibility, and profitability.
 Automated Cutting & Bending
Witness a fully automated journey from coil to finished vanity component. Our integrated line features precision auto-cutting and bending that eliminates manual handling and guarantees flawless results.
 High Speed Punching System
Our integrated high-speed punching technology is the game-changer your line needs, delivering unmatched competitive advantages: Drastically reduce part cycle times. Achieve more hits per minute and maximize your output like never before. Ensure every hole, notch, or emboss is perfectly placed, part after part. Eliminate costly errors and achieve flawless product consistency. And seamlessly integrated with your roll forming line, it enables continuous, uninterrupted production.
 
 The Final Form: Roll Forming
Witness the moment raw steel transforms into structural strength. In the final stands of our roll forming line, the open channel is seamlessly closed into a perfect high-strength cable trays.This critical stage ensures: Unmatched Rigidity: A closed-section design provides superior load-bearing capacity. And Perfect Weld Seam: Precision rollers create a clean, consistent seam for maximum structural integrity.
Engineered for Peak 
Performance and Precision
Every component and parameter of our production line is designed and specified to deliver consistent, high-quality output.
| Product Material: | Material Thickness: | 
| Product Width Range: | Margin of error: | 
| Drive System: | Form speed: | 
| Control System: | Roller material: | 
Download Full Technical ProposalFrom Steel Coil to Cable Trays
100,000 +
Success Cases
Ready to Optimize Your Production?
FAQS
Q: What is the maximum speed and output of your machines?
A:
Armdax roll forming machines have a line max speed up to 35 meters per minute. The actual output depends on the profile complexity and operator efficiency.
Q: What kind of control system do you use?
A:
We use internationally renowned PLC systems (like Siemens or Mitsubishi) with a user-friendly touchscreen interface. This allows for precise control over speed, length, and production count.